Three-Level Bridge
(To be removed) Implement three-level neutral point clamped (NPC) power converter with selectable topologies and power switching devices
The Specialized Power Systems library will be removed in R2026a. Use the Simscape™ Electrical™ blocks and functions instead. For more information on updating your models, see Upgrade Specialized Power Systems Models to use Simscape Electrical Blocks.
Libraries:
Simscape /
Electrical /
Specialized Power Systems /
Power Electronics
Description
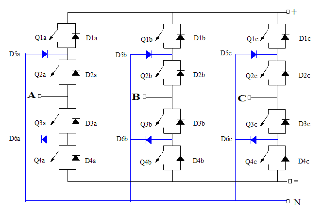
The Three-Level Bridge block implements a three-level power converter that consists of one, two, or three arms of power switching devices. Each arm consists of four switching devices along with their antiparallel diodes and two neutral clamping diodes as shown in the figure below.

The type of power switching device (IGBT, GTO, MOSFET, or ideal switch) and the number of arms (one, two, or three) are selectable from the dialog box. When the ideal switch is used as the switching device, the Three-Level Bridge block implements an ideal switch bridge having a three-level topology as shown in the following figure.

Assumptions and Limitations
This block does not model turn-on and turn-off times (Fall time, Tail time) of power switching devices.
Ports
Input
Conserving
Parameters
Extended Capabilities
Version History
Introduced before R2006a