mfilt.firdecim
(Removed) Direct-form FIR polyphase decimator
mfilt.firdecim has been removed. Use dsp.FIRDecimator instead.
Syntax
hm = mfilt.firdecim(m)
hm = mfilt.firdecim(m,num)
Description
hm = mfilt.firdecim(m) returns a direct-form
FIR polyphase decimator object hm with a decimation factor of
m. A lowpass Nyquist filter of gain 1 and cutoff frequency of
π/m is designed by default. This filter allows some aliasing in
the transition band but it very efficient because the first polyphase component is a
pure delay.
hm = mfilt.firdecim(m,num) uses the
coefficients specified by num for the decimation filter. This lets
you specify more completely the FIR filter to use for the decimator.
Make this filter a fixed-point or single-precision filter by changing the value of the
Arithmetic property for the filter hm as
follows:
To change to single-precision filtering, enter
set(hm,'arithmetic','single');
To change to fixed-point filtering, enter
set(hm,'arithmetic','fixed');
Input Arguments
The following table describes the input arguments for creating
hm.
Input Argument | Description |
|---|---|
| Decimation factor for the filter. m specifies the amount to
reduce the sampling rate of the input signal. It must be an
integer. When you do not specify a value for
|
| Vector containing the coefficients of the FIR lowpass
filter used for decimation. When |
Object Properties
This section describes the properties for both floating-point filters (double-precision and single-precision) and fixed-point filters.
Floating-Point Filter Properties
Every multirate filter object has properties that govern the way it behaves when
you use it. Note that many of the properties are also input arguments for creating
mfilt.firdecim objects. The next table describes each
property for an mfilt.firdecim filter object.
Name | Values | Description |
|---|---|---|
|
| Defines the arithmetic the filter uses. Gives you the
options |
| Integer | Decimation factor for the filter. |
| Character vector | Reports the type of filter object. You cannot set this
property — it is always read only and results from your
choice of |
| Integers | Contains a value derived from the number of input samples
and the decimation factor — |
| Vector | Vector containing the coefficients of the FIR lowpass filter used for decimation. |
|
| Determines whether the filter states get restored to zeros
for each filtering operation. The starting values are the values
in place when you create the filter if you have not changed the
filter since you constructed it.
|
| 0 in | Differentiates between the adders in the filter that work
in full precision at all times
( |
|
| This property contains the filter states before, during, and after filter operations. States act as filter memory between filtering runs or sessions. Double is the default setting for floating-point filters in double arithmetic. |
Fixed-Point Filter Properties
This table shows the properties associated with the fixed-point implementation of
the filter. You see one or more of these properties when you set Arithmetic to
fixed. Some of the properties have different default values when they refer fixed
point filters. One example is the property PolyphaseAccum which
stores data as doubles when you use your filter in double-precision mode, but stores
a fi object in fixed-point mode.
Note
The table lists all of the properties that a fixed-point filter can have. Many
of the properties listed are dynamic, meaning they exist only in response to the
settings of other properties. To view all of the characteristics for a filter at
any time, use info(hm) where hm is a
filter.
For further information about the properties of this filter or any
mfilt object, refer to Multirate Filter Properties.
Name | Values | Description |
|---|---|---|
| Any positive or negative integer number of bits [32] | Specifies the fraction length used to interpret data output by the accumulator. This is a property of FIR filters. |
| Any integer number of bits [39] | Sets the word length used to store data in the accumulator. |
| fixed for fixed-point filters | Setting this to |
| [true], false | Specifies whether the filter automatically chooses the
proper fraction length to represent filter coefficients without
overflowing. Turning this off by setting the value to
|
| Any integer number of bits [16] | Specifies the word length to apply to filter coefficients. |
| [FullPrecision], SpecifyPrecision | Controls whether the filter automatically sets the output
word and fraction lengths, product word and fraction lengths,
and the accumulator word and fraction lengths to maintain the
best precision results during filtering. The default value,
|
| Any positive or negative integer number of bits [15] | Specifies the fraction length the filter uses to interpret input data. |
| Any integer number of bits[16] | Specifies the word length applied to interpret input data. |
| Any positive or negative integer number of bits [32] | Determines how the filter interprets the filter output
data. You can change the value of
|
| Any integer number of bits [39] | Determines the word length used for the output data. You
make this property editable by setting
|
| saturate, [wrap] | Sets the mode used to respond to overflow conditions in
fixed-point arithmetic. Choose from either
|
| [ | Sets the mode the filter uses to quantize numeric values when the values lie between representable values for the data format (word and fraction lengths).
The choice you make affects only the accumulator and output arithmetic. Coefficient and input arithmetic always round. Finally, products never overflow — they maintain full precision. |
| [true], false | Specifies whether the filter uses signed or unsigned fixed-point coefficients. Only coefficients reflect this property setting. |
|
| This property contains the filter states before, during,
and after filter operations. States act as filter memory between
filtering runs or sessions. The states use |
Filter Structure
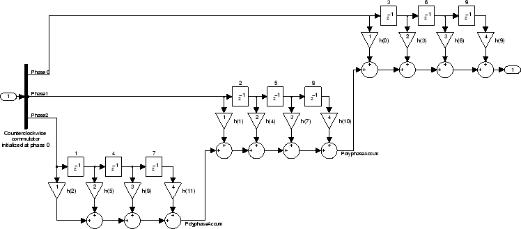
To provide decimation, mfilt.firdecim uses the following structure.
At the input you see a commutator that operates counterclockwise, moving from position 0
to position 2, position 1, and back to position 0 as input samples enter the
filter.
The following figure details the signal flow for the direct form FIR filter
implemented by mfilt.firdecim.

Notice the order of the states in the filter flow diagram. States 1 through 9 appear
in the diagram above each delay element. State 1 applies to the first delay element in
phase 2. State 2 applies to the first delay element in phase 1. State 3 applies to the
first delay element in phase 0. State 4 applies to the second delay in phase 2, and so
on. When you provide the states for the filter as a vector to the
States property, the above description explains how the filter
assigns the states you specify.
In property value form, the states for a filter hm are
hm.states=[1:9];
Examples
Convert an input signal from 44.1 kHz to 22.05 kHz using decimation by a factor of 2. In the figure that appears after the example code, you see the results of the decimation.
m = 2; % Decimation factor. hm = mfilt.firdecim(m); % Use the default filter. fs = 44.1e3; % Original sample freq: 44.1kHz. n = 0:10239; % 10240 samples, 0.232 second long % signal. x = sin(2*pi*1e3/fs*n); % Original signal--sinusoid at 1kHz. y = filter(hm,x); % 5120 samples, 0.232 seconds. stem(n(1:44)/fs,x(1:44)) % Plot original sampled at 44.1 kHz. hold on % Plot decimated signal (22.05 kHz) % in red. stem(n(1:22)/(fs/m),y(13:34),'r','filled') xlabel('Time (sec)');ylabel('Signal Value')
