Hydraulic Motor Driven by Load-Sensing Variable-Displacement Pump
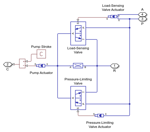
This example shows a circuit using a load-sensing and pressure-limiting unit in a conventional reciprocal system with variable load on the forward stroke. The unit limits output pressure to 300 bar and maintains a preset pressure drop in 10 bar across the velocity control orifice on the discharge port of the pump. The unit is built of two 3-way, 2-position valves, two single-acting valve actuators, and one double-acting valve actuator.
Model

Control Subsystem

Pump Subsystem

Simulation Results from Simscape Logging
The plots below show the behavior of the motor as the valve control and load torque are varied.
