Translational Detent
Double-sided, spring-loaded translational detent
Libraries:
Simscape /
Driveline /
Brakes & Detents /
Translational
Description
The Translational Detent block represents a double-sided, spring-loaded translational detent with a ball and conical notch. The detent slider slides horizontally over the detent case. This interaction creates horizontal shear force. Inside of the slider is the conical notch, and the detent-case contains a vertical spring. The detent ball lies between the spring and the conical notch. The model also includes viscous damping and kinetic friction between the slider and case.
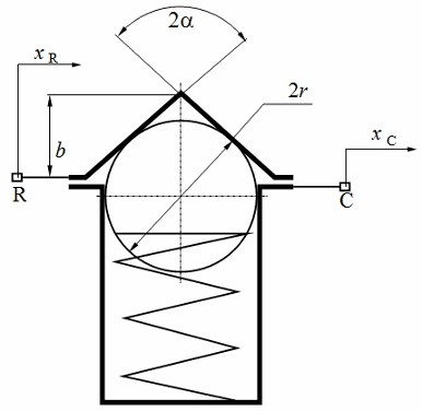
The figure demonstrates the geometry of the ball notch detent.

Here,
b is the notch depth.
r is the ball radius.
α is the notch half angle.
Depending on how you parameterize the block, the shear force model is defined by geometric and spring parameters, by the peak force and notch width, or by a table lookup that specifies relative displacement versus force.
Translational Detent Parameterization
When you set Parameterization to By peak force and notch
width, the block ensures that the force-relative displacement
curve provides a continuous force and force derivative over the detent region. The
peak forces are halfway between the detent center and detent edge, as the figure
shows.

When you set Parameterization to By
geometry, the block uses four regions to define the shear force.
The figure displays these regions.

Because the ball is spherical and the notch is symmetric, the horizontal force versus displacement function is symmetric about the origin.
The table describes the ball position, contact angle, and shear force contributions for each region.
| Region | Ball Position and Contact Angle | Shear Force |
|---|---|---|
| 1 | The ball is outside of the conical notch. The contact angle is vertical. | Viscous damping and kinetic friction only. No spring contribution. |
| 2 | The ball is entering notch and is in contact with the notch corner. The contact angle rotates from vertical. | Spring, viscous damping, and kinetic friction contributions. Peaks at transition from region 2 to region 3. |
| 3 | The ball slides along the face of the notch. The contact angle is constant. | Force decreases as spring extends until reaching the spring preload force. |
| 4 | The ball moves from one face to the other. The contact angle switches direction. | Force switches direction. The shear reversal region width controls how smooth this switch is. |
When you set Parameterization to By table
lookup, you can create an arbitrary function that relates shear
force to relative displacement. If you create such a function, consider these best
practices.
To ensure that the detent conserves energy, the integral of the force-relative displacement curve must be zero.
Avoid discontinuities in the force-relative displacement function. The most important requirement is to have a shear reversal region of nonzero width, analogous to region 4 in the geometric parameterization.
Assumptions and Limitations
The block does not account for inertia. Add mass externally to the R and C ports.
When you set Parameterization to
By peak force and notch widthorBy table lookup, the kinetic friction is independent of the detent normal force.
Examples
Ports
Conserving
Parameters
Extended Capabilities
Version History
Introduced in R2011b

