Four-Wheel Drive Testbed
This example shows a four-wheel drive vehicle with open and limited slip differentials. The front and rear differentials can be standard or Type I Torsen. The center differential can be a solid shaft, viscous coupling, viscous coupling with a locking clutch, or open with no torque transfer. The differential options are in variant subsystems. The variants can be selected using the hyperlinks embedded in the model.
To test the effect of limited slip differentials, the road surface in the model can be configured such that the tires are on surfaces with varying coefficients of friction. This is configured in the Road subsystem.
Model

Lockup Clutch Subsystem for Center Differential

Open Differential Subsystem for Front and Rear

Torsen Differential Subsystem for Front and Rear

Simulation Results from Simscape Logging
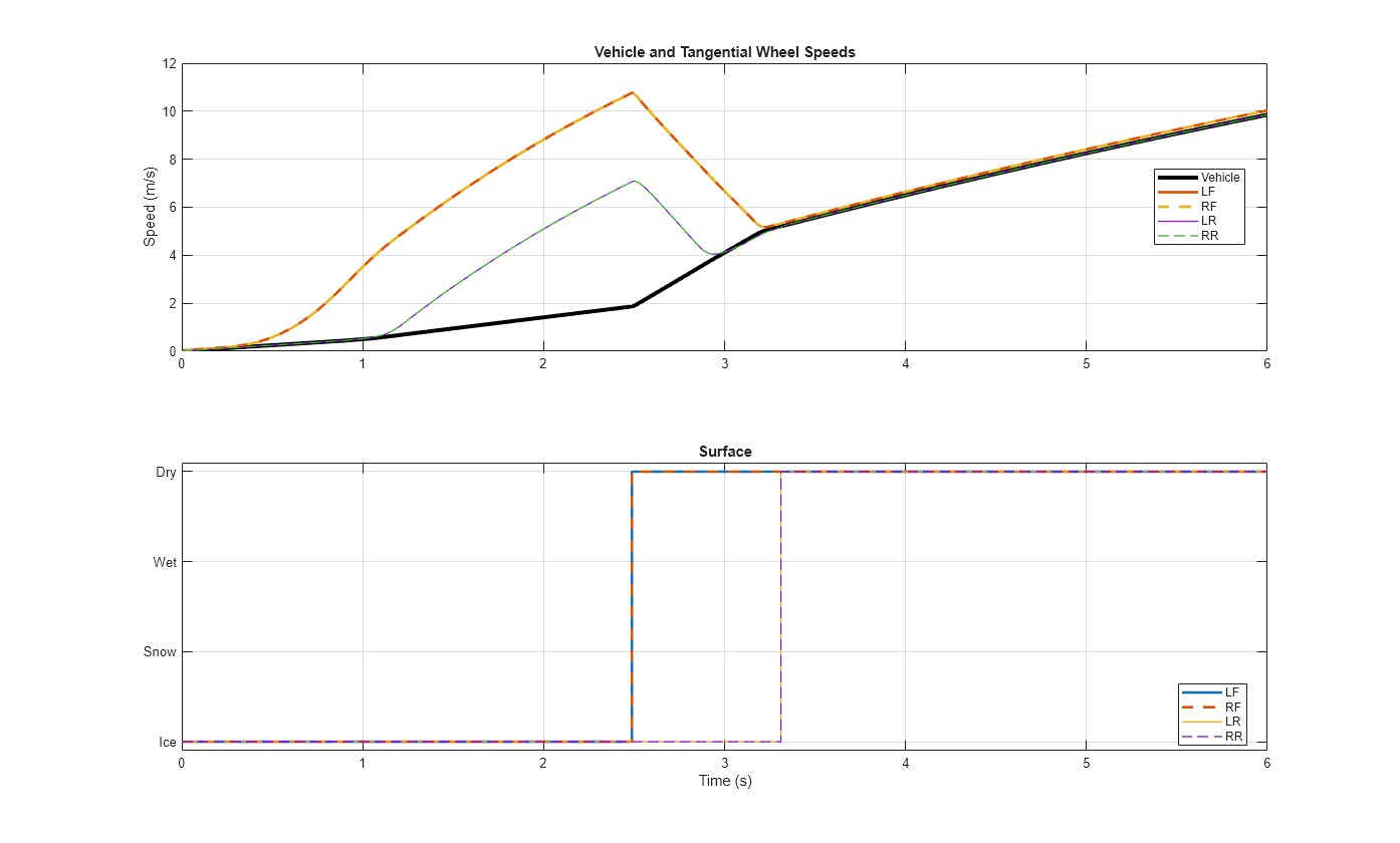
The plot below shows the results of a four-wheel drive vehicle accelerating from rest with all four wheels on a low friction surface, such as ice. Two meters in front of the vehicle starting position is a high friction surface, such as dry tarmac. Open differentials are used on the front and rear and a viscous coupling is used on the center differential. As a result, all four wheels slip until all reach a high friction surface.

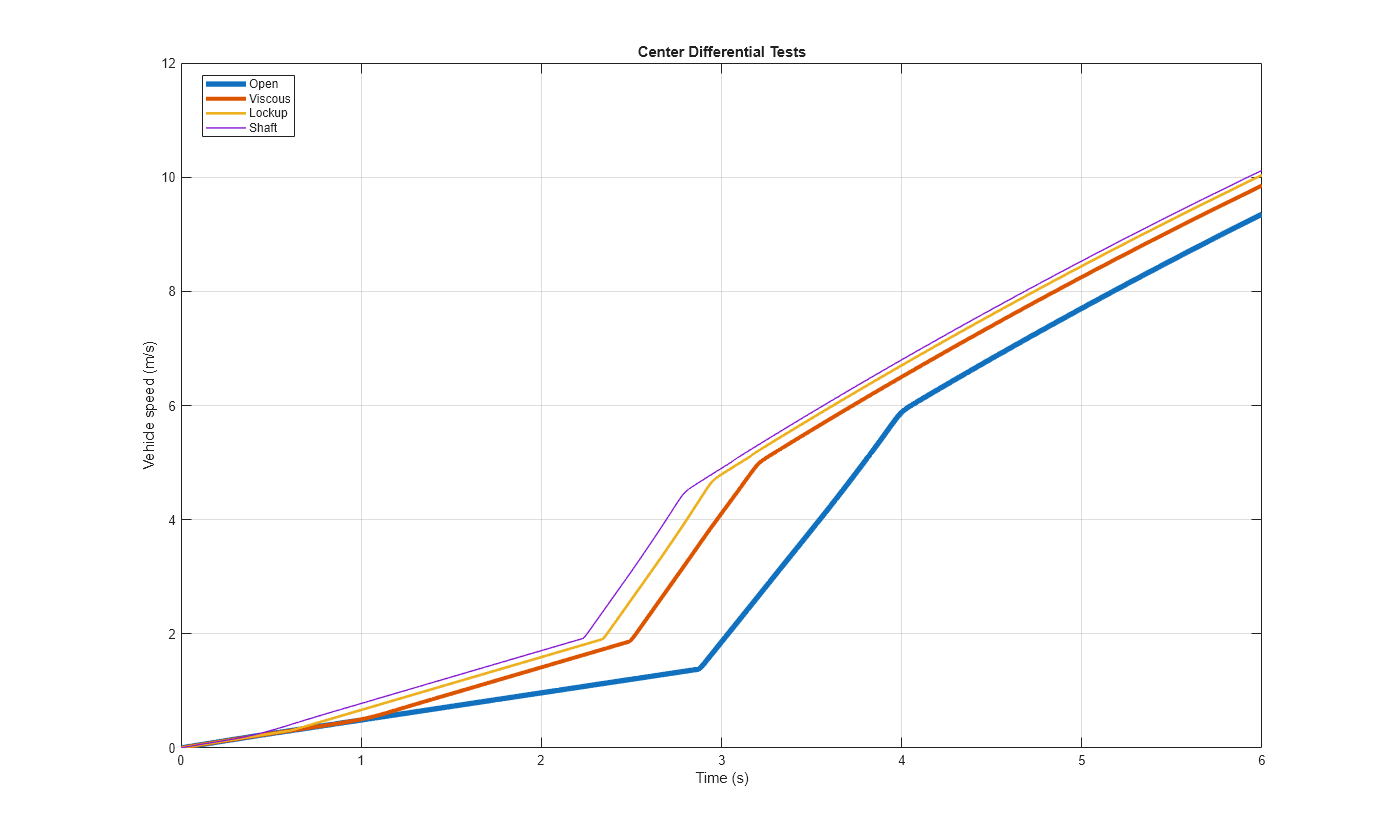
The plot below shows the results of a four-wheel drive vehicle accelerating from rest with the front wheels on a low friction surface, such as ice, and the front wheels on a high friction surface, such as dry tarmac. The test is run four times with different configurations for the center differential. The shaft connection and the lockup clutch provide the fastest acceleration.

The plot below shows the results of a four-wheel drive vehicle accelerating from rest with the left wheels on a low friction surface, such as ice, and the right wheels on a high friction surface, such as dry tarmac. The test is run twice with different configurations for the front and rear differential. The Torsen differential automatically locks under the split surface condition, resulting in faster acceleration.
