100 Watt TR Module for S-Band Applications
This example shows how to use the RF Blockset™ Circuit Envelope library to simulate a 100 Watt transmit and receive (TR) module. Three TR switches provide isolation between the transmitter and receiver and share a common path and components between both chains. You simulate the output power of transmit and receive chains and derive the achieved isolation.
System Architecture
The system consists of a transmit and receive module, and contains three TR single-pole double-throw switches arranged in a network that maximizes isolation and allows having a common path with programmable attenuation for both transmitter and receiver. The tunable TR switch control allows you to toggle the three TR switches simultaneously while running the simulation. When you toggle the controller, you enable either the transmit or the receive path. A slider allows you to change the tunable attenuation on the common path between 0 dB and 10 dB. The attenuation can be changed while running the simulation.
A continuous wave (CW) source centered at 2.1 GHz with nominal input power of 0 dBm is applied to both transmitter and receiver. Three circulators are used to separate the input and the output power of both transmitter and receiver paths. Thermal noise with white distribution is also added to the input signal to define the noise floor.
All amplifiers in the transmit, receive, and common path also generate noise specified by their noise figure.
TR Switches
You toggle the single-pole double-throw switches simultaneously. The switches are of absorptive type to reduce reflections at their ports. They are characterized by a very small insertion loss (0.01 dB) and very high isolation (100 dB). This small insertion loss and high isolation of the switches directly reflects on the high isolation between the transmit and receive path, and has the benefit of reducing the impact of impedance mismatches and reflections along the chain.
When the TR Switch control is ON, the TX path is enabled and the first output (Out1) of the switches is connected to the input. When the TR Switch control is OFF, the RX path is enabled and the second output (Out2) of the switches is connected to the input.
Transmitter
When transmit mode is enabled, the signal is first processed by the common path, and then amplified by the Driver Amplifier and Power Amplifier blocks. The total gain of the transmit chain, for nominal 0 dB attenuation, is approximately 52 dB. The combined gain of the Driver Amplifier and Power Amplifier blocks (transmit gain) is 40 dB.
When the input power of the transmitter is 0 dBm, the output power is approximately 50 dBm (100 Watts) and the received power is below –50 dBm. This result is due to input reflections of the transmitted signal on the TR switches.
When the input power of the transmitter is 0 W, the output power of the receiver is –73 dBm, equal to the receiver input power (0 dBm), plus the receive gain (27 dB), minus the switch isolation (100 dB).
Receiver
When receive mode is enabled, the signal is first amplified by the LNA and Stage Amplifier blocks, then it is processed by the common path. The total gain of the receive chain, for nominal 0 dB attenuation, is approximately 39 dB. The combined gain the LNA and Stage Amplifier is 27 dB (receive gain).
When the input power of the receiver is 0 dBm, the output power is approximately 40 dBm, and the transmitted power is below –20 dBm, equal to the receiver input power (0 dBm), plus the common path (12 dB) and receive gain (40 dB), minus the switch isolation (100 dB), plus the transmit gain (40 dB).
When the input power of the receiver is 0 W, the output power of the transmitter is –60 dBm, equal to the transmit input power (0 dBm), plus the transmit gain (40 dB), minus the switch isolation (100 dB).
Common Path Components
The common path is active during transmission and reception and consists of a Common Path Gain, Phase Shifter, and Attenuator blocks. The total gain of the common chain, for nominal 0 dB attenuation, is approximately 12 dB. The attenuator block is tunable while the simulation is running, and it generates noise proportional to the insertion loss.
Select Run from the Simulation tab to simulate the TR module.
open_system("TRModule.slx") sim("TRModule.slx")
ans =
Simulink.SimulationOutput:
tout: [80001x1 double]
SimulationMetadata: [1x1 Simulink.SimulationMetadata]
ErrorMessage: [0x0 char]

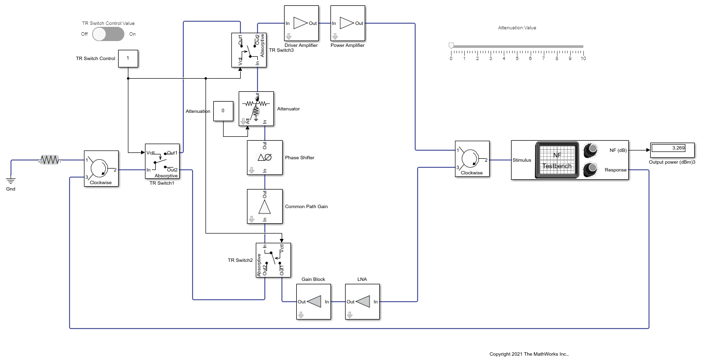
Noise Figure Measurement
Measure the noise figure of the receiver using the Noise Figure Testbench. This testbench provides Stimulus and Response ports that must be connected to the input and output of the receive chain. In this model, the TR module is configured in receive mode, and the transmit input port is terminated on a 50 ohm impedance.
Select Run from the Simulation tab to simulate the TR module with the Noise Figure Testbench to measure the noise figure of the TR Module.
open_system("TRModule_NF.slx") sim("TRModule_NF.slx")
ans =
Simulink.SimulationOutput:
tout: [8001x1 double]
SimulationMetadata: [1x1 Simulink.SimulationMetadata]
ErrorMessage: [0x0 char]


You can experiment and increase the attenuation; however, high gain and low noise of the amplifiers at the beginning of the chain, the total noise figure remains almost unchanged. If you change the attenuation slider while running the simulation, you need to clear the noise history to reset the measurement in the noise figure testbench. The measured Noise Figure value is approximately 3.2 dB, which can be confirmed with a receiver budget analysis in the RF Budget Analysis app as shown below.
load('RX_Budget.mat')
Type show(rfb) to display the system in the RF Budget Analyzer app.

See Also
Circulator | SPST | SPDT