Nonlinear Bipolar Transistor
This model shows an implementation of a nonlinear bipolar transistor based on the Ebers-Moll equivalent circuit. R1 and R2 set the nominal operating point, and the small signal gain is approximately set by the ratio R3/R4. The 1uF decoupling capacitors have been chosen to present negligible impedance at 1KHz. The model is configured for linearization so that a frequency response can be generated.
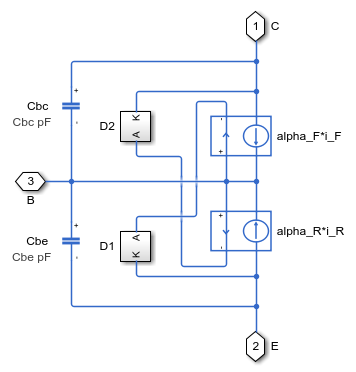
The model shows how more complex elements (in this case a transistor) can be built up from the fundamental electrical elements in the Foundation library. Note that the Start simulation from steady state option has been set in the Solver Configuration block.
For more background on the use of piecewise linear diodes in transistor modeling, see: Cel, J. "Ebers-Moll model of bipolar transistor with idealized diodes", International Journal of Electronics, Vol. 89, No. 1, January 2002, p.7-18.
Model

Nonlinear NPN Transistor Subsystem

Simulation Results from Simscape Logging

Frequency Response

