cgsl_0103: Precalculated signals and parameters
| ID: Title | cgsl_0103: Precalculated signals and parameters | |
|---|---|---|
| Description | Precalculate invariant parameters and signals by doing one of the following: | |
| A | Manually precalculate the values | |
| B | Set these configuration parameters:
| |
| Notes | Precalculating variables can
reduce local and global memory usage and improve execution speed.
If you set Default parameter behavior to Inlined and
enable Inline invariant signals, the code generator
minimizes the number of run-time calculations by maximizing the number
calculations completed before run time. In some cases, this can lead
to a reduction in the number of parameters stored. However, the algorithms
the code generator uses have limitations. In some cases, the code
is more compact if you calculate the values outside of the Simulink® environment.
This can improve model efficiency, but can reduce model readability. | |
| Rationale | A, B | Precalculate data, outside of the Simulink environment, to reduce memory requirements of a system and improve run-time execution. |
| Last Changed | R2012b | |
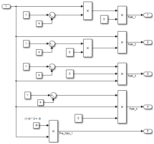
| Examples | In the following model, the four paths are mathematically equivalent. However, due to algorithm limitations, the number of run-time calculations for the paths differs.
Path_1 = InputSignal * -3.0 * 3.0; /* Product: '<Root>/Product4' incorporates: * Inport: '<Root>/In1' */ Path_2 = InputSignal * -9.0; /* Product: '<Root>/Product2' incorporates: * Constant: '<Root>/Constant2' * Inport: '<Root>/In1' */ Path_3 = -9.0 * InputSignal; /* Product: '<Root>/Product5' incorporates: * Constant: '<Root>/Constant2' * Inport: '<Root>/In1' */ Path_4 = -3.0 * InputSignal * 3.0; /* Product: '<Root>/Product6' incorporates: * Constant: '<Root>/Constant3' * Inport: '<Root>/In1' */ Pre_Calc_1 = -9.0 * InputSignal; To maximize automatic precalculation, add signals at the end of the set of equations. Inlining data reduces the ability to tune model parameters. You should define parameters that require calibration to allow calibration. For more information, see Create Tunable Calibration Parameter in the Generated Code (Simulink Coder). | |
