Multi-Winding Transformer
(To be removed) Implement multi-winding transformer with taps
The Specialized Power Systems library will be removed in R2026a. Use the Simscape™ Electrical™ blocks and functions instead. For more information on updating your models, see Upgrade Specialized Power Systems Models to use Simscape Electrical Blocks.
Libraries:
Simscape /
Electrical /
Specialized Power Systems /
Power Grid Elements
Description
The Multi-Winding Transformer block implements a transformer where the number of windings can be specified for both the primary (left side windings) and the secondary (right side windings).
The equivalent circuit of the Multi-Winding Transformer block is similar to the one of the Linear Transformer blocks and the saturation characteristic of the core can be specified or not. See the Saturable Transformer block reference pages for more details on how the saturation and the hysteresis characteristic are implemented.
The equivalent circuit of a Multi-Windings Transformer block with two primary windings and three secondary windings is shown in the next figure.

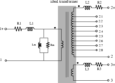
You can add equally spaced taps to the first primary winding (the upper-left winding) or to the first secondary winding (the upper-right winding). The equivalent circuit of a Multi-Winding Transformer block with one primary winding and eight taps on the first of the two secondary windings is shown in the next figure.

The winding terminals are identified by the corresponding winding number. The first winding is the first one on the primary side (upper-left side) and the last winding is the last one on the secondary side (bottom-right side). The polarities of the windings are defined by a plus sign.
The tap terminals are identified by their winding number followed by a dot character and the tap number. Taps are equally spaced so that voltage appearing at no load between two consecutive taps is equal to the total voltage of the winding divided by (number of taps +1). The total winding resistance and leakage inductance of a tapped winding is equally distributed along the taps.
Ports
Conserving
Parameters
Extended Capabilities
Version History
Introduced before R2006a