mfilt.firinterp
(Removed) FIR filter-based interpolator
Compatibility
mfilt.firinterp has been removed. Use dsp.FIRInterpolator instead. For more details, see Version History.
Syntax
Hm = mfilt.firinterp(L)
Hm = mfilt.firinterp(L,num)
Description
Hm = mfilt.firinterp(L) returns a FIR
polyphase interpolator object Hm with an interpolation factor of
L and gain equal to L. L
defaults to 2 if unspecified.
Hm = mfilt.firinterp(L,num) uses the values
in the vector num as the coefficients of the interpolation
filter.
Make this filter a fixed-point or single-precision filter by changing the value of the
Arithmetic property for the filter Hm as
follows:
To change to single-precision filtering, enter
set(hm,'arithmetic','single');
To change to fixed-point filtering, enter
set(hm,'arithmetic','fixed');
Input Arguments
The following table describes the input arguments for creating
hm.
Input Argument | Description |
|---|---|
| Interpolation factor for the filter. |
| Vector containing the coefficients of the FIR lowpass
filter used for interpolation. When |
Object Properties
This section describes the properties for both floating-point filters (double-precision and single-precision) and fixed-point filters.
Floating-Point Filter Properties
Every multirate filter object has properties that govern the way it behaves when
you use it. Note that many of the properties are also input arguments for creating
mfilt.firinterp objects. The next table describes each
property for an mfilt.firinterp filter object.
Name | Values | Description |
|---|---|---|
|
| Defines the arithmetic the filter uses. Gives you the
options |
| Character vector | Reports the type of filter object. You cannot set this
property — it is always read only and results from your
choice of |
| Integer | Interpolation factor for the filter. |
| Vector | Vector containing the coefficients of the FIR lowpass filter used for decimation. |
|
| Determines whether the filter states get restored to zeros
for each filtering operation. The starting values are the values
in place when you create the filter if you have not changed the
filter since you constructed it.
|
|
| Contains the filter states before, during, and after filter operations. States act as filter memory between filtering runs or sessions. |
Fixed-Point Filter Properties
This table shows the properties associated with the fixed-point implementation of
the mfilt.firinterp filter.
Note
The table lists all of the properties that a fixed-point filter can have. Many of the properties listed are dynamic, meaning they exist only in response to the settings of other properties. To view all of the characteristics for a filter at any time, use
info(hm)
where hm is a filter.
For further information about the properties of this filter or any
mfilt object, refer to Multirate Filter Properties.
Name | Values | Description |
|---|---|---|
| Any positive or negative integer number of bits. [32] | Specifies the fraction length used to interpret data output
by the accumulator. This is a property of FIR filters and
lattice filters. IIR filters have two similar properties
— |
| Any integer number of bits[39] | Sets the word length used to store data in the accumulator. |
| fixed for fixed-point filters | Setting this to |
| [true], false | Specifies whether the filter automatically chooses the
proper fraction length to represent filter coefficients without
overflowing. Turning this off by setting the value to
|
| Any integer number of bits [16] | Specifies the word length to apply to filter coefficients. |
| [FullPrecision], SpecifyPrecision | Controls whether the filter automatically sets the output
word and fraction lengths, product word and fraction lengths,
and the accumulator word and fraction lengths to maintain the
best precision results during filtering. The default value,
|
| Any positive or negative integer number of bits [15] | Specifies the fraction length the filter uses to interpret input data. |
| Any integer number of bits [16] | Specifies the word length applied to interpret input data. |
| Any positive or negative integer number of bits
[ | Sets the fraction length used to interpret the numerator coefficients. |
| Any positive or negative integer number of bits [32] | Determines how the filter interprets the filter output
data. You can change the value of
|
| Any integer number of bits [39] | Determines the word length used for the output data. You
make this property editable by setting
|
| saturate, [wrap] | Sets the mode used to respond to overflow conditions in
fixed-point arithmetic. Choose from either
|
| [ | Sets the mode the filter uses to quantize numeric values when the values lie between representable values for the data format (word and fraction lengths).
The choice you make affects only the accumulator and output arithmetic. Coefficient and input arithmetic always round. Finally, products never overflow — they maintain full precision. |
| [true], false | Specifies whether the filter uses signed or unsigned fixed-point coefficients. Only coefficients reflect this property setting. |
|
| Contains the filter states before, during, and after filter
operations. States act as filter memory between filtering runs
or sessions. The states use |
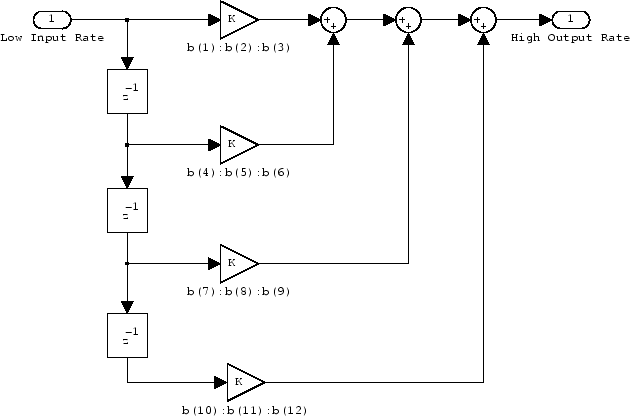
Filter Structure
To provide interpolation, mfilt.firinterp uses the following
structure.
The following figure details the signal flow for the direct form FIR filter
implemented by mfilt.firinterp. In the figure, the delay line updates
happen at the lower input rate. The remainder of the filter — the sums and
coefficients — operate at the higher output rate.

Examples
This example uses mfilt.firinterp to double the sample rate of a
22.05 kHz input signal. The output signal ends up at 44.1 kHz. Although
l is set explicitly to 2, this represents the
default interpolation value for mfilt.firinterp objects.
L = 2; % Interpolation factor. Hm = mfilt.firinterp(L); % Use the default filter. fs = 22.05e3; % Original sample freq: 22.05 kHz. n = 0:5119; % 5120 samples, 0.232s long signal. x = sin(2*pi*1e3/fs*n); % Original signal, sinusoid at 1 kHz. y = filter(Hm,x); % 10240 samples, still 0.232s. stem(n(1:22)/fs,x(1:22),'filled') % Plot original sampled at % 22.05 kHz. hold on; % Plot interpolated signal (44.1 kHz) in red stem(n(1:44)/(fs*L),y(25:68),'r') xlabel('Time (sec)');ylabel('Signal Value') legend('Original Signal','Interpolated Signal');
With interpolation by 2, the resulting signal perfectly matches the original, but with twice as many samples — one between each original sample, as shown in the following figure.
