Front-Loader Actuation System
This example shows a simple actuation system that has a lift and tilt cylinder. Each cylinder is controlled by an open center, 6-way, 3-position directional valve. The valves are connected in series through their unloading branch such that the system pump unloads when both spool displacements are in neutral position. If either tilt or lift command applies, the unloading path closes.
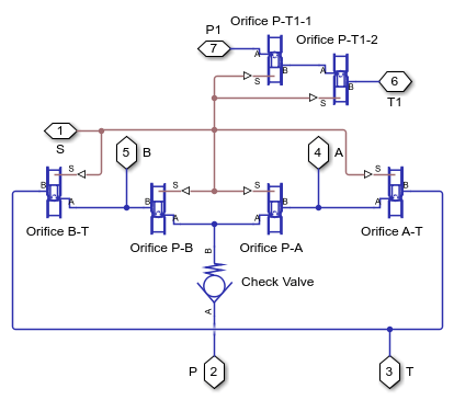
A motor drives the pump while compensating for velocity changes caused by the load on the output shaft. The tilt valve is an M-Way, N-Position Directional Valve parameterized as a 6-way, 3-position valve. The lift valve, while functionally similar, is left as a subsystem of spool orifices with a check valve to show how an M-way, N-position valve can be built from individual components. For more information, see M-Way N-Position Directional Valve (IL).
The system simulates based on the load and spool displacement inputs from the control module.
Model

Lift Valve Subsystem

Lift Actuator Subsystem

Simulation Results from Simscape Logging
These plots show the pressure differences in the lift and tilt cylinders and the position of the piston in each cylinder.
