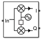
IQ Demodulator
Convert RF signal to baseband signal
Libraries:
RF Blockset /
Circuit Envelope /
Systems
Description
The IQ Demodulator converts an RF signal
to baseband signal. I stands for the in-phase component
of the signal and Q stands for the quadrature phase
component of the signal. You can use the IQ Demodulator to
design direct conversion receivers.
The IQ Demodulator block mask icons are dynamic and indicate the current state of the applied noise parameter. For more information, see IQ Demodulator Icons.
Examples
Demodulate Two-Tone RF Signal Using IQ Demodulator
Use the IQ Demodulator block to demodulate a two-tone RF signal to DC level. Observe the impairments in the demodulated output signal such as images due to gain imbalance, intermodulation distortion, and output third-order intercept (OIP3).
Modeling RF Front End in Radar System Simulation
In a radar system, the RF front end often plays an important role in defining the system performance. For example, because the RF front end is the first section in the receiver chain, the design of its low noise amplifier is critical to achieving the desired signal to noise ratio (SNR). This example shows how to incorporate RF front end behavior into an existing radar system design.
(Phased Array System Toolbox)
Parameters
Main
Source parameter of conversion gain, specified as one of the following:
Available power gain— Relates the ratio of the power of a single sideband (SSB) of the outputIbranch to the input power. If there is no gain mismatch, the gain at theQbranch matches the gain at theIbranch.Open circuit voltage gain— Value of the open circuit voltage gain parameter as the linear voltage gain term of the polynomial voltage controlled voltage-source (VCVS).Polynomial coefficients— Implements a nonlinear voltage gain according to the polynomial you specify.
Ratio of power of SSB at output I branch to input
power, specified as a scalar in dB or a unitless ratio. For a unitless
ratio, select None.
Dependencies
To enable this parameter, set Source of conversion
gain to Available power
gain.
Open circuit voltage gain, specified as a scalar in dB.
Dependencies
To enable this parameter, set Source of conversion
gain to Open circuit voltage
gain.
Polynomial coefficients, specified as a vector.
The order of the polynomial must be less than or equal to 9. The
coefficients must be ordered in ascending powers. If a vector has 10
coefficients,
[,
the polynomial it represents is:a0,a1,a2,
... a9]
Vout = a0 + a1Vin + a2Vin2 + ...
+ a9Vin9
a1
represents the linear gain term.
For example, the vector
[
specifies the relation Vout = a0 + a1V1 + a2V12 + a3V13. Trailing zeros are omitted. So
a0,a1,a2,a3][
defines the same polynomial as
a0,a1,a2][.a0,a1,a2,
0]
By default, the value is [0,1], corresponding to
the linear relation Vout =
Vin.
Dependencies
To enable this parameter, set Source of conversion
gain to Polynomial
coefficients.
Local oscillator (LO) frequency, specified as a scalar in
Hz, kHz,
MHz, or GHz.
Input impedance of IQ demodulator, specified as a scalar in Ohms.
Output impedance of IQ demodulator, specified as a scalar in Ohms.
Select to add the IR filter parameter tab. Clear to remove the tab.
Select to add the CS filter parameter tab. Clear to remove the tab.
Select to internally ground and hide the negative terminals. Clear to expose the negative terminals. When the terminals are exposed, you can connect them to other parts of your model.
Use this button to break IQ modulator links to the library. The internal variables are replaced by their values which are estimated using IQ modulator parameters. The IQ Modulator becomes a simple subsystem masked only to keep the icon.
Use Edit System to edit the internal variables without expanding the subsystem. Use Expand System to expand the subsystem in the Simulink™ canvas and to edit the subsystem.
Impairments
Gain difference between I and Q
branches, specified as a scalar in dB. Gain mismatch is assumed to be
forward-going, that is, the mismatch does not affect leakage from LO to
RF.
If the gain mismatch is specified, the value relates the ratio of power of the single-sideband
(SSB) at output the Q branch to the input
power.
Phase difference between I and Q
branches, specified as a scalar in degrees or radians. The phase
mismatch affects the LO to input RF leakage.
Ratio of magnitude between LO voltage to leaked RF voltage, specified
as a scalar in dB. Phase accumulation in the path from LO input to the
internal I and Q mixers (after
phase shift and phase mismatch) and then to the RF is assumed to be
zero.
Single-sideband noise figure of mixer, specified as a scalar.
To model noise in circuit envelope model with a Noise, Amplifier, or Mixer, IQ Demodulator block, you must select the Simulate noise check box in the Configuration block dialog box.
The following table summarizes the two competing definitions for specifying SSB noise, where the image frequency (IM) is defined as ωIM = ωLO + (ωLO – ωRF).
| Noise Convention | Signal at RF Frequency | Signal at IM Frequency | IQ Demodulator Block Supports This Model? |
|---|---|---|---|
| Single-sideband noise (SSB) | S + N, signal with noise | N, noise only | Yes |
| IEEE definition of single-sideband noise (SSBIEEE) | S + N, signal with noise | No signal | No; you can create an equivalent model using an ideal filter created from an S-parameters block. |
Select this parameter to add phase noise to your IQ demodulator system.
Phase noise frequency offset, specified as a scalar, vector, or matrix with each element unit in Hz.
If you specify a matrix, each column corresponds to a non-DC carrier frequency of the CW source. The frequency offset values bind the envelope bandwidth of the simulation. For more information, see Configuration.
Dependencies
To enable this parameter, select Add phase noise.
Phase noise level, specified as a scalar, vector, or matrix with element unit in decibel per dBc/Hz.
If you specify a matrix, each column corresponds to a non-DC carrier frequency of the CW source. The frequency offset values bind the envelope bandwidth of the simulation. For more information, see Configuration.
Dependencies
To enable this parameter, select Add phase noise.
Select to automatically estimate impulse response for phase noise. Clear to specify the impulse response duration using Impulse response duration.
Dependencies
To enable this parameter, select Add phase noise.
Impulse response duration used to simulate phase noise, specified as a scalar in s, ms, us, or ns.
Note
The phase noise profile resolution in frequency is limited by the duration of the impulse response used to simulate it. Increase this duration to improve the accuracy of the phase noise profile. A warning message appears if the phase noise frequency offset resolution is too high for a given impulse response duration. This message also specifies the minimum duration suitable for the required resolution.
Dependencies
To set this parameter, clear Automatically estimate impulse response duration.
The block plots the phase noise characteristics based in the parameters specified on the Impairments tab and either the Envelope bandwidth parameter in the Configuration block when available or the value specified in the Phase noise frequency offset (Hz) parameter.
Dependencies
To enable this parameter, select Add phase noise.
Nonlinearity
Selecting Polynomial coefficients for
Source of conversion gain in the
Main tab removes the
Nonlinearity parameters.
Polynomial nonlinearity, specified as one of the following:
Even and odd order: The IQ Demodulator can produce second-order and third-order intermodulation frequencies, in addition to a linear term.Odd order: The IQ Demodulator generates only "odd- order" intermodulation frequencies.The linear gain determines the linear a1 term. The block calculates the remaining terms from the values specified in IP3, 1-dB gain compression power, Output saturation power, and Gain compression at saturation. The number of constraints you specify determines the order of the model. The figure shows the graphical definition of the nonlinear IQ demodulator parameters.

Intercept points convention, specified as
Input (input-referred) or
Output (output-referred). Use this
specification for the intercept points IP2,
IP3, the 1-dB gain compression
power, and the Output saturation
power.
Second-order intercept point, specified as a scalar in dBm, W, mW, or
dBW. The default value
inf dBm
corresponds to an unspecified point.
Dependencies
To enable this parameter, set Nonlinear polynomial
type to Even and odd
order.
Third-order intercept point, specified as a scalar in dBm, W, mW, or
dBW. The default value
inf dBm
corresponds to an unspecified point.
Dependencies
To enable this parameter, set Nonlinear polynomial
type to Even and odd
order.
1-dB gain compression power, specified as a scalar in dBm, W, mW, or dBW. The 1-dB gain compression point must be less than the output saturation power.
Dependencies
To enable this parameter, set Odd order
in Nonlinear polynomial type tab.
Output saturation power, specified as a scalar. The block uses this value to calculate the voltage saturation point used in the nonlinear model. In this case, the first derivative of the polynomial is zero, and the second derivative is negative.
Dependencies
To enable this parameter, set Odd order
in Nonlinear polynomial type tab.
Gain compression at saturation, specified as a scalar.
Dependencies
To enable this parameter, first select Odd
order in Nonlinear polynomial
type tab. Then change the default value of
Output saturation power.
IR Filter
Select Add Image Reject filter in the Main tab to see the IR Filter parameters tab.
Simulation type. Simulates an ideal, Butterworth, or Chebyshev filter of the type specified in Filter type and the model specified in Implementation.
Filter. Simulates a lowpass, highpass, bandpass, or bandstop filter type of the design specified in Design method
Implementation, specified as one of the following:
LC Tee: Model an analog filter with an LC lumped Tee structure when the Design method is Butterworth or Chebyshev.LC Pi: Model an analog filter with an LC lumped Pi structure when the Design method is Butterworth or Chebyshev.Transfer Function: Model an analog filter using two-port S-parameters when the Design method is Butterworth or Chebyshev.Constant per carrier: Model a filter with either full transmission or full reflection set as constant throughout the entire envelope band around each carrier. The Design method is specified as ideal.Filter Domain: Model a filter using convolution with an impulse response. The Design method is specified as ideal. The impulse response is computed independently for each carrier frequency to capture the ideal filtering response. When a transition between full transmission and full reflection of the ideal filter occurs within the envelope band around a carrier, the frequency-domain implementation captures this transition correctly up to a frequency resolution specified in Impulse response duration.Note
Due to causality, a delay of half the impulse response duration is included for both reflected and transmitted signals. This delay impairs the filter performance when the Source and Load resistances differ from the values specified in filter parameters.
By default, the Implementation is
Constant per carrier for an ideal filter
and LC Tee for Butterworth or
Chebyshev.
Passband edge frequency, specified as a scalar in Hz, kHz, MHz, or GHz.
Dependencies
To enable this parameter, set Design method
to Ideal and Filter
type to Lowpass or
Highpass.
Select this parameter to implement the filter order manually.
Dependencies
To enable this parameter, set Design method
to Butterworth or
Chebyshev.
Filter order, specified as a scalar. For a Filter
type of Lowpass or
Highpass, the filter order is the number
of lumped storage elements. For a Filter type of
Bandpass of
Bandstop, the number of lumped storage
elements is twice the filter order.
Note
For even order Chebyshev filters, the resistance ratio for Tee network implementation and for Pi network implementation.
where:
Rp is the passband ripple in dB.
Dependencies
To enable this parameter, select Implement using filter order.
Passband frequency for lowpass and highpass filters, specified as a
scalar in Hz, kHz, MHz, or GHz. The default value is 1
GHz for Lowpass filters and
2 GHz for Highpass
filters.
Dependencies
To enable this parameter, set Design method
to Butterworth or
Chebyshev and Filter
type to Lowpass or
Highpass.
Passband frequencies for bandpass filters, specified as a 2-tuple vector in Hz, kHz, MHz, or GHz. This option is not available for bandstop filters.
Dependencies
To enable this parameter, set Design method
to Butterworth or
Chebyshev and Filter
type to Bandpass.
Passband attenuation, specified as a scalar in dB. For bandpass filters, this value is applied equally to both edges of the passband.
Dependencies
To enable this parameter, set Design method
to Butterworth or
Chebyshev.
Stopband frequencies for bandstop filters, specified as a 2-tuple vector in Hz, kHz, MHz, or GHz. This option is not available for bandpass filters.
Dependencies
To enable this parameter, set Design method
to Butterworth or
Chebyshev and Filter
type to Bandstop.
Stopband edge frequencies for bandstop filters, specified as a 2-tuple vector in Hz, kHz, MHz, or GHz. This option is not available for ideal bandpass filters.
Dependencies
To enable this parameter, set Design method
to Ideal and Filter
type to Bandstop.
Stopband attenuation, specified as a scalar in dB. For bandstop filters, this value is applied equally to both edges of the stopband.
Dependencies
To enable this parameter, set Design method
to Butterworth or
Chebyshev and Filter
type to Bandstop.
Input source resistance, specified as a scalar in Ohms.
Dependencies
To enable this parameter, set Design method
to Butterworth or
Chebyshev.
Output load resistance, specified as a scalar in Ohms.
Dependencies
To enable this parameter, set Design method
to Butterworth or
Chebyshev.
Select to automatically estimate impulse response for phase noise. Clear to manually specify the impulse response duration using Impulse response duration.
Dependencies
To enable this parameter, set Design method
to Ideal and
Implementation to Frequency
domain.
Impulse response duration used to simulate phase noise, specified as a scalar in s, ms, us, or ns. You cannot specify impulse response if the amplifier is nonlinear.
Note
The phase noise profile resolution in frequency is limited by the duration of the impulse response used to simulate it. Increase this duration to improve the accuracy of the phase noise profile. A warning message appears if the phase noise frequency offset resolution is too high for a given impulse response duration. This message also specifies the minimum duration suitable for the required resolution
Dependencies
To enable this parameter, clear Automatically estimate impulse response duration.
Use this button to save filter design to a file. Valid file types are
.mat and .txt.
Dependencies
To enable this parameter, set Design method
to Butterworth or
Chebyshev.
CS Filter
Select Add Channel Select filters in the Main tab to see the CS Filter parameters.
Simulation type. Simulates an ideal, Butterworth, or Chebyshev filter of the type specified in Filter type and the model specified in Implementation.
Filter. Simulates a lowpass, highpass, bandpass, or bandstop filter type of the design specified in Design method.
Implementation, specified as one of the following:
LC Tee: Model an analog filter with an LC lumped Tee structure when the Design method is Butterworth or Chebyshev.LC Pi: Model an analog filter with an LC lumped Pi structure when the Design method is Butterworth or Chebyshev.Transfer Function: Model an analog filter using two-port S-parameters when the Design method is Butterworth or Chebyshev.Constant per carrier: Model a filter with either full transmission or full reflection set as constant throughout the entire envelope band around each carrier. The Design method is specified as ideal.Filter Domain: Model a filter using convolution with an impulse response. The Design method is specified as ideal. The impulse response is computed independently for each carrier frequency to capture the ideal filtering response. When a transition between full transmission and full reflection of the ideal filter occurs within the envelope band around a carrier, the frequency-domain implementation captures this transition correctly up to a frequency resolution specified in Impulse response duration.Note
Due to causality, a delay of half the impulse response duration is included for both reflected and transmitted signals. This delay impairs the filter performance when the Source and Load resistances differ from the values specified in filter parameters.
By default, the Implementation is
Constant per carrier for an ideal filter
and LC Tee for Butterworth or
Chebyshev.
Passband edge frequency, specified as a scalar in Hz, kHz, MHz, or GHz.
Dependencies
To enable this parameter, set Design method
to Ideal.
Select this parameter to implement the filter order manually.
Dependencies
To enable this parameter, set Design method
to Butterworth or
Chebyshev.
Filter order, specified as a scalar. This order is the number of
lumped storage elements in lowpass or
highpass. In bandpass or
bandstop, the number of lumped storage elements
are twice the value.
Note
For even order Chebyshev filters, the resistance ratio for Tee network implementation and for Pi network implementation.
where:
Rp is the passband ripple in dB.
Dependencies
To enable this parameter, select Implement using filter order.
Passband frequency for lowpass and highpass filters, specified as a
scalar in Hz, kHz, MHz, or GHz. By default, the passband frequency is
1 GHz for Lowpass
filters and 2 GHz for
Highpass filters.
Dependencies
To enable this parameter, set Design method
to Butterworth or
Chebyshev and Filter
type to Lowpass or
Highpass.
Passband frequencies for bandpass filters, specified as a 2-tuple vector in Hz, kHz, MHz, or GHz. This option is not available for bandstop filters.
Dependencies
To enable this parameter, set Design method
to Butterworth or
Chebyshev and Filter
type to Bandpass.
Passband attenuation, specified as a scalar in dB. For bandpass filters, this value is applied equally to both edges of the passband.
Dependencies
To enable this parameter, set Design method
to Butterworth or
Chebyshev.
Stopband frequencies for bandstop filters, specified as a 2-tuple vector in Hz, kHz, MHz, or GHz. This option is not available for bandpass filters.
Dependencies
To enable this parameter, set Design method
to Butterworth or
Chebyshev and Filter
type to Bandstop.
Stopband edge frequencies for bandstop filters, specified as a 2-tuple vector in Hz, kHz, MHz, or GHz. This option is not available for ideal bandpass filters.
Dependencies
To enable this parameter, set Design method
to Ideal and Filter
type to Bandstop.
Stopband attenuation, specified as a scalar in dB. For bandstop filters, this value is applied equally to both edges of the stopband.
Dependencies
To enable this parameter, set Design method
to Butterworth or
Chebyshev and Filter
type to Bandstop.
Input source resistance, specified as a scalar in Ohms.
Dependencies
To enable this parameter, set Design method
to Butterworth or
Chebyshev.
Output load resistance, specified as a scalar in Ohms.
Dependencies
To enable this parameter, set Design method
to Butterworth or
Chebyshev.
Select to automatically estimate impulse response for phase noise. Clear to specify the impulse response duration using Impulse response duration.
Dependencies
set Design method to
Ideal and
Implementation to Frequency
domain.
Impulse response duration used to simulate phase noise, specified as a scalar in seconds. You cannot specify impulse response if the amplifier is nonlinear.
Note
The phase noise profile resolution in frequency is limited by the duration of the impulse response used to simulate it. Increase this duration to improve the accuracy of the phase noise profile. A warning message appears if the phase noise frequency offset resolution is too high for a given impulse response duration. This message also specifies the minimum duration suitable for the required resolution
Dependencies
To enable this parameter, clear Automatically estimate impulse response duration.
Use this button to save filter design to a file. Valid file types are
.mat and .txt.
Dependencies
To enable this parameter, set Design method
to Butterworth or
Chebyshev.
Algorithms
This table shows you how the icons on this block will vary based on how you set the Noise figure (dB) and Add LO phase noise parameters on the block.
| Noise figure (dB) | Add LO phase noise: off | Add LO phase noise: on |
|---|---|---|
0 |
|
|
10 |
|
|
References
[1] Razavi, Behzad. RF Microelectronics. Upper Saddle River, NJ: Prentice Hall, 2011.
Version History
Introduced in R2017aThe IQ Demodualtor block estimates the impulse response duration using the Phase noise frequency offset (Hz) parameter and visualizes the phase noise characteristics when you click the Plot phase noise characteristics button.
Starting in R2021b, the IQ Demodulator block icon has updated. The block icons are now dynamic and show the current state of the noise parameter.
When you open a model created before R2021b containing a IQ Demodualtor block, the software replaces the block icon with the R2021b version.
See Also
MATLAB Command
You clicked a link that corresponds to this MATLAB command:
Run the command by entering it in the MATLAB Command Window. Web browsers do not support MATLAB commands.
Select a Web Site
Choose a web site to get translated content where available and see local events and offers. Based on your location, we recommend that you select: .
You can also select a web site from the following list
How to Get Best Site Performance
Select the China site (in Chinese or English) for best site performance. Other MathWorks country sites are not optimized for visits from your location.
Americas
- América Latina (Español)
- Canada (English)
- United States (English)
Europe
- Belgium (English)
- Denmark (English)
- Deutschland (Deutsch)
- España (Español)
- Finland (English)
- France (Français)
- Ireland (English)
- Italia (Italiano)
- Luxembourg (English)
- Netherlands (English)
- Norway (English)
- Österreich (Deutsch)
- Portugal (English)
- Sweden (English)
- Switzerland
- United Kingdom (English)





