setlinio
Save linear analysis points to Simulink model, Linear Analysis Plots block, or Model Verification block
Description
Examples
Input Arguments
Output Arguments
Alternative Functionality
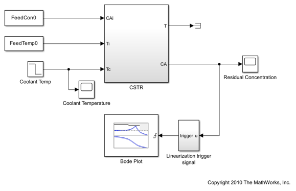
Simulink Model
You can also specify analysis points directly in a Simulink model. For more information, see Specify Portion of Model to Linearize in Simulink Model.
Version History
Introduced before R2006a



