Converter (Three-Phase)
Controller-driven bidirectional AC/DC three-arm converter
Libraries:
Simscape /
Electrical /
Semiconductors & Converters /
Converters
Description
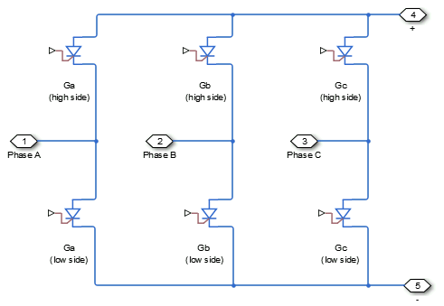
The Converter (Three-Phase) block models a six-pulse three-phase controlled converter that consists of three bridge arms. Each bridge arm comprises with two switching devices. The converter circuit connects a three-phase AC network to a DC network.
You can choose from two fidelity levels for the converter model. The equivalent model
option does not model the individual switching devices but returns equivalent results.
If you need detailed results for the switching device dynamics, use the detailed model
option. Otherwise, use the equivalent model for faster simulation. To simulate in real
time, use the equivalent model. To validate the results, use the detailed model with a
variable-step solver. To use the detailed model, set the Fidelity
level parameter to Detailed model - switching
devices. To use the equivalent model, set the Fidelity
level parameter to Equivalent model -
PWM-controlled.
If you choose the detailed model, each component in the three-arm circuit is the same switching device, which you specify by setting the Switching device parameter. The switching devices that you can specify are implementations of blocks in the Simscape > Electrical > Semiconductors & Converters library:
GTO — Gate turn-off thyristor. For information about the I-V characteristic of the device, see GTO.
Ideal semiconductor switch — For information about the I-V characteristic of the device, see Ideal Semiconductor Switch.
IGBT — Insulated-gate bipolar transistor. For information about the I-V characteristic of the device, see IGBT (Ideal, Switching).
MOSFET — N-channel metal-oxide-semiconductor field-effect transistor. For information about the I-V characteristic of the device, see MOSFET (Ideal, Switching).
Thyristor — For information about the I-V characteristic of the device, see Thyristor (Piecewise Linear).
Averaged Switch — Semiconductor switch with an antiparallel diode. The control signal port G accepts values in the interval [0,1]. When G is equal to
0or1, the averaged switch is fully opened or fully closed respectively. The switch behaves similarly to the Ideal Semiconductor Switch block with an antiparallel diode. When G is between 0 and 1, the averaged switch is partly opened. You can average the pulse-width modulation (PWM) signal over a specified period. You can then undersample the model and use modulation waveforms instead of PWM signals.
This figure shows the equivalent circuit for a converter with fully controlled switching devices (e.g. IGBTs, GTOs).

This figure shows the equivalent circuit for a converter with partially controlled switching devices (e.g. thyristors).

Control the gate ports of the six switching devices via an input to port G on the Converter (Three-Phase) block:
Multiplex all six gate signals into a single vector with a Six-Pulse Gate Multiplexer block.
Connect the output of the Six-Pulse Gate Multiplexer block to the Converter (Three-Phase) block G port.
You can specify an integral protection diode for each switching device. An integral diode protects the semiconductor device by providing a conduction path for reverse current. An inductive load can produce a high reverse-voltage spike when the semiconductor device suddenly switches off the voltage supply to the load.
The table shows you how to set the Integral protection diode parameter based on your goals.
| Goals | Value to Select | Integral Protection Diode | |
|---|---|---|---|
| Do not include protection. | None | None | |
| Include protection. | Prioritize simulation speed. | Diode with no dynamics | The Diode block |
| Prioritize model fidelity by precisely specifying reverse-mode charge dynamics. | Diode with charge dynamics | The dynamic model of the Diode block | |
Note
If you set the Switching device parameter to
Averaged Switch, the block models protection diodes
with no dynamics and the Integral protection diode parameter is
not visible.
You can include a snubber circuit, consisting of a resistor and capacitor connected in series, for each switching device. Snubber circuits protect switching devices against high voltages that inductive loads produce when the device turns off the voltage supply to the load. Snubber circuits also prevent excessive rates of change of current when a switching device turns on.
To use the equivalent model as a rectifier, set all the elements of the PWM signal to zero. The model behaves as a three-phase diode rectifier.
Modeling Thermal Effects
Since R2024b
You can expose the thermal port to model the effects of generated heat and device temperature. To expose the thermal port:
In the Main settings, set the Fidelity level parameter to
Detailed model - switching devices.In the Switching Devices settings, set the Switching device parameter to one of these options:
GTOIGBTMOSFETThyristor
In the Switching Devices settings, select the Model thermal effects parameter.
For more information on using thermal ports and the Thermal Port parameters, see Simulating Thermal Effects in Semiconductors.
When you expose the thermal port, the Converter (Three-Phase) block models conduction losses
and the turn-on and turn-off losses of the switching devices. The block uses the
same methods to calculate these losses as these blocks with the On-state
behavior and switching losses parameter set to Specify
constant values:
For more information about how the Converter (Three-Phase) block calculates these losses, see the documentation for the block that matches the option you select for the Switching device parameter.
If you enable the thermal port and you set the Integral protection
diode parameter to Diode with no dynamics,
the block also models reverse recovery loss for the protection diodes. The block
uses the same method to calculate these losses as the Diode block with the Fidelity level
parameter set to Ideal switching and the Diode
model parameter to Piecewise
linear.
With ideal switching, the block does not use a physics-based charge model. The block represents the losses that the charge creates during reverse recovery as an instantaneous loss.
The block applies reverse recovery losses by stepping up the junction temperature with a value equal to the reverse recovery loss divided by the total thermal mass at the junction.
If you set the Reverse recovery loss model
parameter to Tabulated loss, the value of the
Reverse recovery loss table, Erec(Tj, If) parameter
specifies the dissipated energy as a function of the junction temperature and the
forward current just before the switching event. The off-state voltage linearly
scales the losses relative to the Turn-off voltage when measuring recovery
loss, Vrec parameter value. The table uses delayed values for the
current and voltage. To use a value in the lookup table that is close to the
instantaneous value, set the Filter time constant for voltage
and current values parameter to a value that is lower than the
fastest switching period.
If you set the Reverse recovery loss model
parameter to Fixed loss, the value of the
Reverse recovery loss parameter specifies the energy
dissipated during each turn-off event. If you select the Scale reverse
recovery loss with current and voltage parameter, then the block
scales this loss value linearly by the on-state current and the off-state voltage.
To use scaling values that are close to the instantaneous values, set Filter time constant for voltage and current values to a
value that is lower than the fastest switching period.
Piecewise Constant Approximation in Averaged Switch for FPGA Deployment
If you set the Switching device parameter to Averaged switch and your model uses a partitioning solver, this block produces nonlinear partitions because the average mode equations include modes, Gsat that are functions of the input G. To make these equations compatible with hardware description language (HDL) code generation, and therefore FPGA deployment, set the Integer for piecewise constant approximation of gate input (0 for disabled) parameter to a value greater than 0. This block then treats the Gsat mode as a piecewise constant integer with a fixed range. This turns the previously nonlinear partitions to linear time varying partitions.
An integer value in the range [0,K], where K is the value of the Integer for piecewise constant approximation of gate input (0 for disabled), is now associated with each real value mode in the range [0,1]. The block computes the piecewise constant mode by dividing the original mode by K to normalize it back to the range [0,1]:
Assumptions and Limitations
If, in the Solver Configuration block inside your model, you set the Solver type parameter to
Partitioning, the averaged switches introduce instability during dead time, when all gate inputs are set to 0. Where possible, use the open-zero state by setting all high-side switches to 0 and all low-side switches to 1.To use the Converter (Three-Phase) block as an active front end rectifier, if you set the Fidelity level parameter to
Equivalent model - PWM-controlledor you set the Switching device parameter toAveraged Switch, you must add a mid-point ground system on the DC side. This figure shows how to build a mid-point ground system with either two resistors or two capacitors.
Examples
Ports
Conserving
Parameters
Extended Capabilities
Version History
Introduced in R2013bSee Also
Average-Value DC-DC Converter | Bidirectional DC-DC Converter | Buck Converter | Buck-Boost Converter | Boost Converter | GTO | IGBT (Ideal, Switching) | MOSFET (Ideal, Switching) | Ideal Semiconductor Switch | PWM Generator | PWM Generator (Three-phase, Two-level) | Six-Pulse Gate Multiplexer | Three-Level Converter (Three-Phase) | Thyristor (Piecewise Linear)






