Boost Converter
Controller-driven DC-DC step-up voltage regulator
Libraries:
Simscape /
Electrical /
Semiconductors & Converters /
Converters
Description
The Boost Converter block represents a converter that steps up DC voltage as driven by an attached controller and gate-signal generator. Boost converters are also known as step-up voltage regulators because they increase voltage magnitude.
The Boost Converter block allows you to model a nonsynchronous converter with one switching device or a synchronous converter with two switching devices. Options for the type of switching devices are:
GTO — Gate turn-off thyristor. For information about the I-V characteristic of the device, see GTO.
Ideal semiconductor switch — For information about the I-V characteristic of the device, see Ideal Semiconductor Switch.
IGBT — Insulated-gate bipolar transistor. For information about the I-V characteristic of the device, see IGBT (Ideal, Switching).
MOSFET — N-channel metal-oxide-semiconductor field-effect transistor. For information about the I-V characteristic of the device, see MOSFET (Ideal, Switching).
Thyristor — For information about the I-V characteristic of the device, see Thyristor (Piecewise Linear).
Averaged Switch — Semiconductor switch with an antiparallel diode. The control signal port G accepts values in the interval [0,1]. When G is equal to
0or1, the averaged switch is fully opened or fully closed respectively. The switch behaves similarly to the Ideal Semiconductor Switch block with an antiparallel diode. When G is between 0 and 1, the averaged switch is partly opened. You can average the pulse-width modulation (PWM) signal over a specified period. You can then undersample the model and use modulation waveforms instead of PWM signals.
Converter Topology
You can model this converter as a nonsynchronous converter with a physical signal gate control port or with two electrical control ports, or as a synchronous converter with an electrical control port. To select the converter topology, set the Modeling option parameter to either:
Nonsynchronous converter— Nonsynchronous converter with optional physical or electrical gate control ports.Synchronous converter— Synchronous converter with multiplexed gate signals.
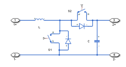
The nonsynchronous boost converter models contain an inductor, a switching device, a diode, and an output capacitor.

The synchronous boost converter model contains an inductor, two switching devices, and an output capacitor.

In each case, the capacitor smoothes the output voltage.
Protection
For the synchronous converter model, you can include an integral protection diodes. Integral diodes protect the semiconductor device by providing a conduction path for reverse current. An inductive load can produce a high reverse-voltage spike when the semiconductor device suddenly switches off the voltage supply to the load.
To include and configure the internal protection diodes, use the Diode parameters. This table shows how to set the Model dynamics parameter based on your goals.
| Goals | Value to Select | Integral Protection Diode | |
|---|---|---|---|
| Do not include protection. | None | None | |
| Include protection. | Prioritize simulation speed. | Diode with no dynamics | The Diode block |
| Prioritize model fidelity by precisely specifying reverse-mode charge dynamics. | Diode with charge dynamics | The dynamic model of the Diode block | |
You can also include a snubber circuit for each switching device. Snubber circuits contain a series-connected resistor and capacitor. They protect switching devices against high voltages that inductive loads produce when the device turns off the voltage supply to the load. Snubber circuits also prevent excessive rates of current change when a switching device turns on.
To include and configure a snubber circuit for each switching device, use the Snubbers parameters.
Gate Control
To connect gate-control voltage signals to the gate ports of the switching devices, for the:
Nonsynchronous converter model:
PS control port model:
Convert a Simulink® gate-control voltage signal to a physical signal using a Simulink-PS Converter block.
Connect the Simulink-PS Converter block to the G port.
Electrical control ports model:
Connect a Simscape™ electrical-domain positive DC voltage signal to the G+ port.
Connect the Simscape electrical-domain negative DC voltage signal to the G- port.
Synchronous converter model:
Convert each Simulink gate-control voltage signal to a physical signal using Simulink-PS Converter blocks.
Multiplex the converted gate-control signals into a single vector using a Two-Pulse Gate Multiplexer.
Connect the vector signal to the G port.
Piecewise Constant Approximation in Averaged Switch for FPGA Deployment
If you set the Switching device parameter to Averaged switch and your model uses a partitioning solver, this block produces nonlinear partitions because the average mode equations include modes, Gsat that are functions of the input G. To make these equations compatible with hardware description language (HDL) code generation, and therefore FPGA deployment, set the Integer for piecewise constant approximation of gate input (0 for disabled) parameter to a value greater than 0. This block then treats the Gsat mode as a piecewise constant integer with a fixed range. This turns the previously nonlinear partitions to linear time varying partitions.
An integer value in the range [0,K], where K is the value of the Integer for piecewise constant approximation of gate input (0 for disabled), is now associated with each real value mode in the range [0,1]. The block computes the piecewise constant mode by dividing the original mode by K to normalize it back to the range [0,1]:
Variables
To set the priority and initial target values for the block variables before simulation, use the Initial Targets section in the block dialog box or Property Inspector. For more information, see Set Priority and Initial Target for Block Variables.
Nominal values provide a way to specify the expected magnitude of a variable in a model. Using system scaling based on nominal values increases the simulation robustness. You can specify nominal values using different sources, including the Nominal Values section in the block dialog box or Property Inspector. For more information, see System Scaling by Nominal Values.
Examples
Assumptions and Limitations
Only a PWM-driven averaged switch converter captures both continuous conduction mode (CCM) and discontinuous conduction mode (DCM). A duty cycle-driven averaged switch converter captures CCM only.
Ports
Input
Conserving
Parameters
References
[1] Trzynadlowski, A. M. Introduction to Modern Power Electronics, 2nd Edition. Hoboken, NJ: John Wiley & Sons Inc., 2010.
[2] Han, D. and B. Sarlioglu, "Deadtime Effect on GaN-Based Synchronous Boost Converter and Analytical Model for Optimal Deadtime Selection." IEEE Transactions on Power Electronics.Vol. 31, Number 1, 2016, pp 601-612.
Extended Capabilities
Version History
Introduced in R2018a
See Also
Average-Value DC-DC Converter | Bidirectional DC-DC Converter | Buck Converter | Buck-Boost Converter | Converter (Three-Phase) | GTO | IGBT (Ideal, Switching) | MOSFET (Ideal, Switching) | Ideal Semiconductor Switch | PWM Generator | PWM Generator (Three-phase, Two-level) | Six-Pulse Gate Multiplexer | Three-Level Converter (Three-Phase) | Thyristor (Piecewise Linear)



