One-Quadrant Chopper
Controller-driven one-quadrant chopper
Libraries:
Simscape /
Electrical /
Semiconductors & Converters /
Converters
Description
The One-Quadrant Chopper block represents a one-quadrant controlled chopper for converting a fixed DC input to a variable DC output.
The circuit topology and quadrant depend on the class of chopper that you specify.

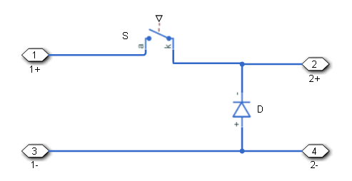
A first-quadrant or class A chopper contains a power switch and a diode.

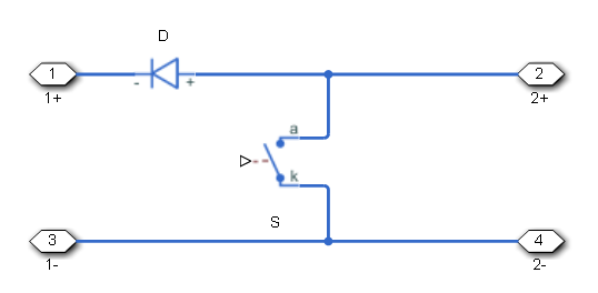
A second-quadrant or class B chopper also contains a power switch and a diode.

For either topology, the switch S can be a fully controlled switching device (for example, an IGBT or GTO) or a partially controlled switching device (for example, a thyristor).
Options for the switching device type are:
GTO — Gate turn-off thyristor. For information about the I-V characteristic of the device, see GTO.
Ideal semiconductor switch — For information about the I-V characteristic of the device, see Ideal Semiconductor Switch.
IGBT — Insulated-gate bipolar transistor. For information about the I-V characteristic of the device, see IGBT (Ideal, Switching).
MOSFET — N-channel metal-oxide-semiconductor field-effect transistor. For information about the I-V characteristic of the device, see MOSFET (Ideal, Switching).
Thyristor — For information about the I-V characteristic of the device, see Thyristor (Piecewise Linear).
Averaged Switch — Semiconductor switch with an antiparallel diode. The control signal port G accepts values in the interval [0,1]. When G is equal to
0or1, the averaged switch is fully opened or fully closed respectively. The switch behaves similarly to the Ideal Semiconductor Switch block with an antiparallel diode. When G is between 0 and 1, the averaged switch is partly opened. You can average the pulse-width modulation (PWM) signal over a specified period. You can then undersample the model and use modulation waveforms instead of PWM signals.
Protection
An inductive load can produce a high reverse-voltage spike when the semiconductor device suddenly switches off the voltage supply to the load. To protect the semiconductor device, an integral protection diode provides a conduction path for reverse current.
To include and configure the internal protection diode block for the S switching device, use the Diode parameters. This table shows how to set the Model dynamics parameter based on your goals.
| Goals | Value to Select | Integral Protection Diode |
|---|---|---|
| Prioritize simulation speed. | Diode with no dynamics | The Diode block |
| Prioritize model fidelity by precisely specifying reverse-mode charge dynamics. | Diode with charge dynamics | The dynamic model of the Diode block |
You can also include a snubber circuit for each switching device. Snubber circuits contain a series-connected resistor and capacitor. They protect switching devices against high voltages that inductive loads produce when the device turns off the voltage supply to the load. Snubber circuits also prevent excessive rates of current change when a switching device turns on.
To include and configure a snubber circuit for each switching device, use the Snubbers parameters.
Gate Control
You can connect gate-control voltage signals to the gate ports of the switching devices.
For the PS control port model:
Convert a Simulink® gate-control voltage signal to a physical signal using a Simulink-PS Converter block.
Connect the Simulink-PS Converter block to the G port.
For the electrical control ports model:
Connect a Simscape™ electrical-domain positive DC voltage signal to the G+ port.
Connect the Simscape electrical-domain negative DC voltage signal to the G- port.
Piecewise Constant Approximation in Averaged Switch for FPGA Deployment
If you set the Switching device parameter to Averaged switch and your model uses a partitioning solver, this block produces nonlinear partitions because the average mode equations include modes, Gsat that are functions of the input G. To make these equations compatible with hardware description language (HDL) code generation, and therefore FPGA deployment, set the Integer for piecewise constant approximation of gate input (0 for disabled) parameter to a value greater than 0. This block then treats the Gsat mode as a piecewise constant integer with a fixed range. This turns the previously nonlinear partitions to linear time varying partitions.
An integer value in the range [0,K], where K is the value of the Integer for piecewise constant approximation of gate input (0 for disabled), is now associated with each real value mode in the range [0,1]. The block computes the piecewise constant mode by dividing the original mode by K to normalize it back to the range [0,1]:
Examples
Ports
Input
Conserving
Parameters
References
[1] Trzynadlowski, A. M. Introduction to Modern Power Electronics. 2nd Ed. Hoboken, NJ: John Wiley & Sons Inc., 2010.
Extended Capabilities
Version History
Introduced in R2018b

