SM DC4C
Discrete- or continuous-time synchronous machine DC4C or DC4B excitation system including an automatic voltage regulator and exciter
Since R2021b
Libraries:
Simscape /
Electrical /
Control /
SM Control
Description
The SM DC4C block implements a synchronous machine (SM) DC4C excitation system model in conformance with IEEE Std 421.5-2016 [1]. You can also use the SM DC4C block to implement an DC4A model from a previous version of IEEE Std 421.5 [2]. For more information about implementing an DC4A model, see DC4B Model.
Use this block to model the control and regulation of the field voltage of a synchronous machine that operates as a generator using a DC commutator rotating exciter.
You can switch between continuous and discrete implementations of the block by using the
Sample time (-1 for inherited) parameter. To configure the
block for continuous time, set the Sample time (-1 for inherited)
property to 0. To configure the block for discrete time, set the
Sample time (-1 for inherited) property to a positive, nonzero
value, or to -1 to inherit the sample time from an upstream
block.
The SM DC4C block is made up of five major components:
The current compensator modifies the measured terminal voltage as a function of terminal current.
The voltage measurement transducer simulates the dynamics of a terminal voltage transducer by using a low-pass filter.
The excitation control elements component compares the voltage transducer output with a terminal voltage reference to produce a voltage error. This voltage error is then passed through a voltage regulator to produce the exciter field voltage.
The DC rotating exciter models the DC commutator rotating exciter which produces and applies a field voltage to the controlled synchronous machine. The block also feeds the field voltage back to the excitation system.
The power source models the dependency of the power source for the controlled rectifier from the terminal voltage.
This diagram shows the overall structure of the DC4C excitation system model:

In the diagram:
VT and IT are the measured terminal voltage and current of the synchronous machine.
VC1 is the current-compensated terminal voltage.
VC is the filtered, current-compensated terminal voltage.
VREF is the reference terminal voltage.
VS is the power system stabilizer voltage.
SW1 is the user-selected power source switch for the controlled rectifier.
VB is the exciter field voltage.
EFE and VFE are the exciter field voltage and current, respectively.
EFD is the field voltage.
The following sections describe each of the major parts of the block in detail.
Current Compensator and Voltage Measurement Transducer
The current compensator is modeled as:
where:
RC is the load compensation resistance.
XC is the load compensation reactance.
The voltage measurement transducer is implemented as a Low-Pass Filter block with the time constant TR. To see the exact discrete and continuous implementations, see Low-Pass Filter.
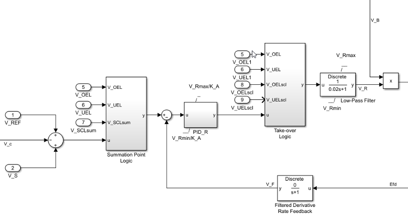
Excitation Control Elements
This diagram illustrates the overall structure of the excitation control elements:

In the diagram:
The Summation Point Logic subsystem models the summation point input location for the overexcitation limiter (OEL), underexcitation limiter (UEL), and stator current limiter (SCL) voltages. For more information about using limiters with this block, see Field Current Limiters.
The Low-Pass Filter block models the major dynamics of the voltage regulator. Here, KA is the regulator gain and TA is the major time constant of the regulator. The minimum and maximum anti-windup saturation limits for the block are VRmin and VRmax, respectively.
The PID_R subsystem models a PID controller that functions as a control structure for the automatic voltage regulator. The minimum and maximum anti-windup saturation limits for the block are VRmax / KA and VRmin / KA, respectively.
The Take-over Logic subsystem models the take-over point input location for the OEL, UEL, and SCL voltages. For more information about using limiters with this block, see Field Current Limiters.
The Filtered Derivative block models the rate feedback path for stabilization of the excitation system. Here, KF and TF are the gain and time constant of this system, respectively. To see the exact discrete and continuous implementations, see Filtered Derivative.
Field Current Limiters
You can use various field current limiters to modify the output of the voltage regulator under unsafe operating conditions:
Use an overexcitation limiter to prevent overheating of the field winding due to excessive field current demand.
Use an underexcitation limiter to boost field excitation when it is too low, which can risk desynchronization.
Use a stator current limiter to prevent overheating of the stator windings due to excessive current.
Attach the output of any of these limiters at one of these points:
The summation point as part of the automatic voltage regulator (AVR) feedback loop
The take-over point to override the usual behavior of the AVR
If you are using the stator current limiter at the summation point, use the single input V_SCLsum. If you are using the stator current limiter at the take-over point, use both an overexcitation input V_OELscl and an underexcitation input V_UELscl.
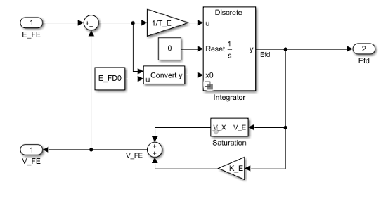
DC Rotating Exciter
This diagram illustrates the overall structure of the DC commutator rotating exciter:

In the diagram:
The exciter field current VFE is the sum of two signals:
The nonlinear function Vx models the saturation of the exciter output voltage.
The proportional term KE models the linear relationship between exciter output voltage and the exciter field current.
The Integrator subsystem integrates the difference between EFE and VFE to generate the output field voltage Efd. TE is the time constant for this process.
Power Source
You can change the power source representations for the controlled rectifier with the
Logical switch 1 parameter. The power source for the
controlled rectifier can be either derived from the terminal voltage
(Position A: power source derived from terminal
voltage) or it can be independent of the terminal voltage
(Position B: power source independent from the terminal
conditions).

DC4B Model
You can represent existing DC2B excitation systems using the DC4C model. The DC4C model introduced additional options for the SCL input locations. The model also includes more flexibility in the representation of the power source for the controlled rectifier connected to the rotating exciter field winding. To implement a DC4B model using the SM DC4C block, set the parameters to the values shown in this table. The default block parameter values satisfy these conditions.
| Block Parameter | Parameter Value |
|---|---|
| Alternate SCL input locations (V_SCL) | Unused |
| Potential circuit gain coefficient, K_P (pu) | 1 |
| Potential circuit phase angle (degrees) | 0 |
| Potential circuit (current) gain coefficient, K_I (pu) | 0 |
| Reactance associated with potential source, X_L (pu) | 0 |
| Rectifier loading factor proportional to commutating reactance, K_C1 (pu) | 0 |
| Logical switch 1 | Position A: power source derived from terminal
voltage |
| Maximum available exciter field voltage, V_Bmax (pu) | 99 |
Ports
Input
Output
Parameters
References
[1] “IEEE Recommended Practice for Excitation System Models for Power System Stability Studies.” IEEE Std 421.5-2016 (Revision of IEEE Std 421.5-2005), August 2016, 1–207. https://doi.org/10.1109/IEEESTD.2016.7553421.
[2] “IEEE Recommended Practice for Excitation System Models for Power System Stability Studies.” IEEE Std 421.5-2005 (Revision of IEEE Std 421.5-1992), April 2006, 1–93. https://doi.org/10.1109/IEEESTD.2006.99499.
Extended Capabilities
Version History
Introduced in R2021b
