PMSM phase loss simulation

Pavel Tinnikov on 27 May 2021
Latest activity Edit by Pavel Tinnikov on 11 Jun 2021

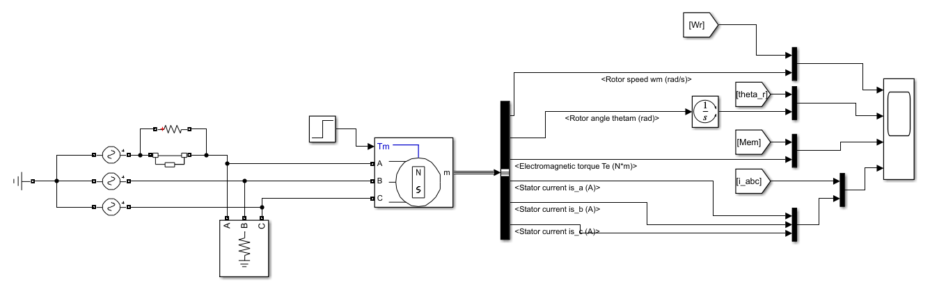
I am trying to simulate the PMSM in fault mode with phase loss at 0.25 sec, but the simulation results are incorrect. For example, the rotor speed changes too much when a phase is missing. I tried to assemble the model in dq coordinates and abc coordinates on my own, but the results are the same. Who can tell you how to modify the engine model so that the simulation shows the correct results?

Ali Hussein Numan
Ali Hussein Numan on 27 May 2021

Dear Pavel You should determine what is a type of fault you are trying to simulate as an example for an electrical fault (short circuit) I suggest using the circuit model (winding function method) to specifically localize the fault. good luck

Pavel Tinnikov
Pavel Tinnikov on 11 Jun 2021 (Edited on 11 Jun 2021)

Dear Ali Thanks for the advice. Can you explain what the method is "winding function method"? Where I can read about it. I need to simulate a stator phase failure of PMSM. How to deal with this case? I would appreciate any help. Thanks