Couplings and Drives
Couplings and drives blocks represent power transmission elements and systems such as springs, dampers, pulleys, and drives. To model the dynamic transfer of torques and motions, connect these blocks together just as you would assemble a physical driveline system.
Simscape Blocks
Topics
- Model Driveshafts with Loss
Model damping due to viscous friction.
- Model Drivetrain Noise
Model random noise in a drivetrain.
- Model and Detect Drivetrain Faults
Model faults that disturb drivetrains.
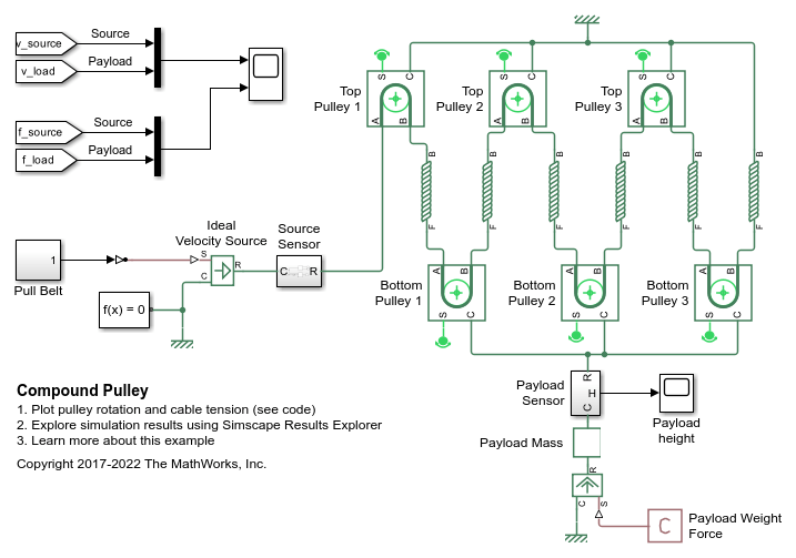
- Best Practices for Modeling Pulley Networks
Learn about belt direction and using ropes and inertias in pulley networks.
Troubleshooting
Troubleshoot Driveline Modeling and Simulation Issues
Identify and eliminate issues that prevent your model from simulating to completion.
Troubleshoot Pulley Network Issues
Learn how to solve initialization and motion issues in pulley networks.




