Analog Devices RF Transceivers Support from MATLAB and Simulink
Simulate and verify AD9361 and AD9371 RF transceivers designs with RF Blockset (formerly SimRF) models, and predict the impact of RF imperfections on your test signals
- Analog Devices RF Transceivers Support from MATLAB and Simulink
Capabilities and Features
With MATLAB and Simulink you can rapidly design and test communications systems by performing system-level simulation, stream RF data, and use standard compliant communication signals.
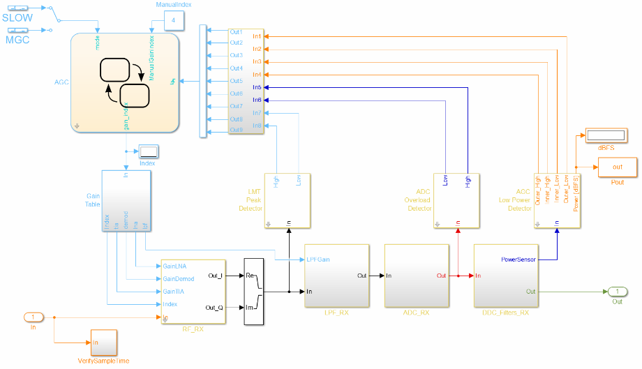
RF Blockset Models of Analog Devices RF Agile Transceivers have been validated in the lab with power spectral and waveform measurements. The models reproduce the transceiver’s noise and nonlinearity at different frequencies and power levels. You can greatly reduce the design and test iteration time with models that have been validated across a wide range of operating conditions.
The AD9361 and AD9371 transceiver RF Blockset models, allow you to:
- Predict the impact of the RF imperfections on your test signals
- Use reference tones and LTE/WLAN standard compliant signals
- Generate or import test vectors and evaluate the effects of nonlinearity, noise, gain and phase imbalance, spectral leakage, and other imperfections introduced by the RF transmitter and receiver
- Add interfering signals and evaluate the results in the time or frequency domains
- Use as design tools and test benches without needing extensive measurement campaigns on the implemented hardware.
- Configure the model transceiver with the same settings that you can use to program the hardware
Key features:
- Library of the RF transmitter and receiver Simulink blocks suitable for AD9361, AD9363, or AD9364
- Library of the AD9371 RF transmitter, receiver, observer, and sniffer Simulink blocks
- Integration with either of the AD9361 Filter Wizard or AD9371 Profile Generator Apps from Analog Devices for programming the multirate, multistage digital up and down conversion filters
- Testbenches to simulate the behaviour of the transmitter and receiver with different test signals
- Examples to combine in the same model transmitter and different receivers
- Fully programmable automatic gain control (AGC), and analog and digital filters for up and down conversion
- RF impairments such as IP2, IP3, DC offset, image rejection, thermal noise, phase noise
Related RF System Design capabilities with other MathWorks products:
- Design RF systems with rapid system-level simulation
- Stream RF data into MATLAB and Simulink using the AD9361 and AMD Zynq-7000 hardware
- Generate LTE standard compliant signals to test the transmitter and receiver with LTE Toolbox
- Use Instrument Control Toolbox to automate RF measurements for final verification, or to bring in more signals to validate your RF Blockset design. For example, you can connect to spectrum analyzers and signal generators to test AD-FMCOMMS2-EBZ and AD-FMCOMMS3-EBZ evaluation boards.
About the Hardware
The AD9361 is an agile, high-performance RF transceiver that transmits and receives wireless signals ranging from 70 MHz up to 6.0 GHz. This general-purpose, high-speed analog module can be used for any software-designed radio application, MIMO radio, point-to-point communication systems, femtocell/picocell/microcell base stations, WiFi, and ISM applications.
The AD9371 is a highly-integrated wideband RF transceiver. It offers a versatile combination of high-performance and low-power consumption required by 3G/4G micro and macro BTS equipment in both FDD and TDD applications. The AD9371 operates from 300 MHz to 6000 MHz, covering most of the licensed and unlicensed cellular bands. The IC supports receiver bandwidths up to 100 MHz. It also supports observation receiver and transmit synthesis bandwidths up to 250 MHz to accommodate digital correction algorithms.