getBlockValue
Get current value of tuned block parameterization in slTuner interface
Syntax
Description
getBlockValue lets you access the
current value of the parameterization of a tuned block in an slTuner interface.
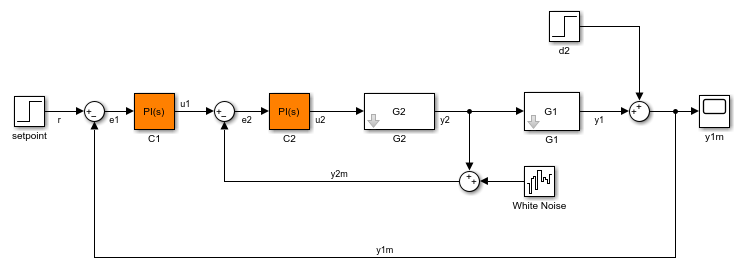
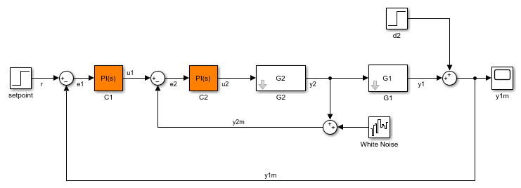
An slTuner interface parameterizes each
tuned Simulink® block as a Control Design Block, or a generalized
parametric model of type genmat or genss. This parameterization specifies
the tuned variables for
commands such as systune.
Examples
Input Arguments
Output Arguments
More About
Version History
Introduced in R2011b


