setTunedValue
Set current value of tuned variable in slTuner interface
Description
setTunedValue lets you initialize
or modify the current value of a tuned variable within an slTuner interface.
An slTuner interface parameterizes each tuned block as a Control
Design Block, or a generalized parametric model of type genmat or genss.
This parameterization specifies the tuned variables for commands such
as systune.
Examples
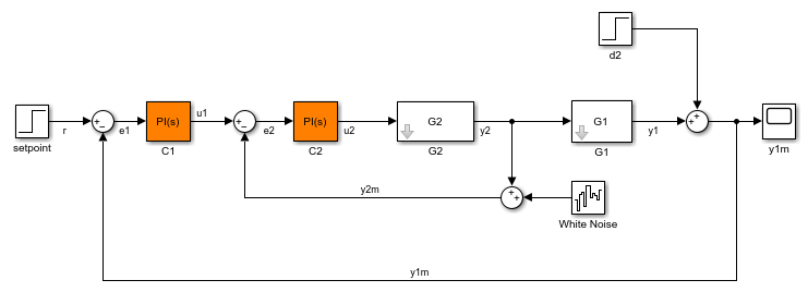
Create an slTuner interface for the scdcascade model.
open_system('scdcascade') st = slTuner('scdcascade',{'C1','C2'});

Set a custom parameterization for one of the tunable blocks.
C1CustParam = realp('Kp',1) + tf(1,[1 0]) * realp('Ki',1); setBlockParam(st,'C1',C1CustParam);
These commands set the parameterization of the C1 controller block to a generalized state-space (genss) model containing two tunable parameters, Ki and Kp.
Initialize the value of Ki to 10 without changing the value of Kp.
setTunedValue(st,'Ki',10);
Create an slTuner interface for the scdcascade model.
open_system('scdcascade') st = slTuner('scdcascade',{'C1','C2'});

Set a custom parameterization for one of the tunable blocks.
C1CustParam = realp('Kp',1) + tf(1,[1 0]) * realp('Ki',1); setBlockParam(st,'C1',C1CustParam);
These commands set the parameterization of the C1 controller block to a generalized state-space (genss) model containing two tunable parameters, Ki and Kp.
Create a structure of tunable element values, setting Kp to 5 and Ki to 10.
S = struct('Kp',5,'Ki',10);
Set the values of the tunable elements in st.
setTunedValue(st,S);
Convert an slTuner interface for the Simulink® model rct_diskdrive to a genss model to tune the model blocks using hinfstruct. After tuning, update the slTuner interface with the tuned parameters and write the parameter values to the Simulink model for validation.
Use of hinfstruct requires a Robust Control Toolbox™ license.
Create an slTuner interface for rct_diskdrive. Add C and F as tuned blocks of the interface.
open_system('rct_diskdrive'); st = slTuner('rct_diskdrive',{'C','F'});

The default parameterization of the transfer function block, F, is a transfer function with two free parameters. Because F is a low-pass filter, you must constrain its coefficients. To do so, specify a custom parameterization of F with filter coefficient a.
a = realp('a',1); setBlockParam(st,'F',tf(a,[1 a]));
Convert st to a genss model.
m = getIOTransfer(st,{'r','n'},{'y','e'});
Typically, for tuning with hinfstruct, you append weighting functions to the genss model that depend on your design requirements. You then tune the augmented model. For more information, see Fixed-Structure H-infinity Synthesis with hinfstruct (Robust Control Toolbox).
For this example, instead of tuning the model, manually adjust the tuned variable values.
m.Blocks.C.Kp.Value = 0.00085; m.Blocks.C.Ki.Value = 0.01; m.Blocks.a.Value = 5500;
After tuning, update the block parameterization values in st.
setTunedValue(st,m);
This is equivalent to setBlockValue(st,m.Blocks).
To validate the tuning result in Simulink, first update the Simulink model with the tuned values.
writeBlockValue(st);
Input Arguments
Interface for tuning control systems modeled in Simulink,
specified as an slTuner interface.
Tuned variable within st, specified as
a character vector or string. A tuned variable is any Control Design
Block, such realp, tunableSS,
or tunableGain, involved in the parameterization
of a tuned Simulink block, either directly or through a generalized
parametric model. To get a list of all tuned variables within st,
use getTunedValue(st).
var can refer to the following:
For a block parameterized by a Control Design Block, the name of the block. For example, if the parameterization of the block is
C = tunableSS('C')then set
var='C'.For a block parameterized by a
genmat/genssmodel,M, the name of any Control Design Block listed inM.Blocks. For example, if the parameterization of the block isa = realp('a',1); C = tf(a,[1 a]);then set
var='a'.
Value of tuned variable in st, specified
as a numeric scalar, a numeric array or a state-space model that is
compatible with the tuned variable. For example, if var is
a scalar element such as a PID gain, value must
be a scalar. If var is a 2–by–2 tunableGain, then value must
be a 2–by–2 scalar array.
Values of multiple tuned variables in st,
specified as a structure with fields specified as numeric scalars,
numeric arrays, or state-space models. The field names are the names
of tuned variables in st. Only blocks common
to st and varValues are
updated, while all other blocks in st remain
unchanged.
To specify varValues, you can retrieve
and modify the tuned variable structure from st.
varValues = getTunedValue(st); varValues.Ki = 10;
Tuned model that has some parameters in common with st,
specified as a Generalized LTI Model.
Only variables common to st and model are
updated, while all other variables in st remain
unchanged.
More About
Tuned blocks, used by
the slTuner interface, identify blocks in a Simulink model
whose parameters are to be tuned to satisfy tuning goals. You can
tune most Simulink blocks that represent linear elements such
as gains, transfer functions, or state-space models. (For the complete
list of blocks that support tuning, see How Tuned Simulink Blocks Are Parameterized).
You can also tune more complex blocks such as SubSystem or S-Function
blocks by specifying an equivalent tunable
linear model.
Use tuning commands such as systune to
tune the parameters of tuned blocks.
You must specify tuned blocks (for example, C1 and C2)
when you create an slTuner interface.
st = slTuner('scdcascade',{'C1','C2'})
You can modify the list of tuned blocks using addBlock and removeBlock.
To interact with the tuned blocks use:
getBlockParam,getBlockValue, andgetTunedValueto access the tuned block parameterizations and their current values.setBlockParam,setBlockValue, andsetTunedValueto modify the tuned block parameterizations and their values.writeBlockValueto update the blocks in a Simulink model with the current values of the tuned block parameterizations.
Within an slTuner interface, tuned
variables are any Control Design Blocks involved
in the parameterization of a tuned Simulink block, either directly
or through a generalized parametric model. Tuned variables are the
parameters manipulated by tuning commands such as systune.
For Simulink blocks parameterized by a generalized model or a tunable surface:
getBlockValueprovides access to the overall value of the block parameterization. To access the values of the tuned variables within the block parameterization, usegetTunedValue.setBlockValuecannot be used to modify the block value. To modify the values of tuned variables within the block parameterization, usesetTunedValue.
For Simulink blocks parameterized by a Control Design Block,
the block itself is the tuned variable. To modify the block value,
you can use either setBlockValue or setTunedValue.
Similarly, you can retrieve the block value using either getBlockValue or getTunedValue.
Version History
Introduced in R2015b
MATLAB Command
You clicked a link that corresponds to this MATLAB command:
Run the command by entering it in the MATLAB Command Window. Web browsers do not support MATLAB commands.
Select a Web Site
Choose a web site to get translated content where available and see local events and offers. Based on your location, we recommend that you select: .
You can also select a web site from the following list
How to Get Best Site Performance
Select the China site (in Chinese or English) for best site performance. Other MathWorks country sites are not optimized for visits from your location.
Americas
- América Latina (Español)
- Canada (English)
- United States (English)
Europe
- Belgium (English)
- Denmark (English)
- Deutschland (Deutsch)
- España (Español)
- Finland (English)
- France (Français)
- Ireland (English)
- Italia (Italiano)
- Luxembourg (English)
- Netherlands (English)
- Norway (English)
- Österreich (Deutsch)
- Portugal (English)
- Sweden (English)
- Switzerland
- United Kingdom (English)